Gorman Rupp T4A3S-B Pump

Spare Parts for T4A3S-B Self Priming Pump

This page lists replacement and compatible spare parts for Gorman Rupp  pumps.
Pump Spares Direct is an independent supplier and is not affiliated with, endorsed by, or authorised by Gorman Rupp 

Image shown for pump identification purposes only.

Product Summary 

The Gorman-Rupp T4A3S-B is a legendary 4-inch Super T Series® self-priming centrifugal pump designed for handling solids-laden wastewater and industrial fluids. Renowned for its reliability, it features a removable cover plate for quick clog removal and access to the pump interior without disconnecting piping. Its robust cast iron construction and shimless wear plate adjustment make it a standard in municipal and industrial sewage applications.

  • Removable Cover Plate: Provides quick and easy access to the pump interior for inspecting the impeller or clearing clogs without disturbing the piping.
  • Shimless Wear Plate Adjustment: External adjustment system allows for maintaining peak efficiency by adjusting the clearance between the impeller and wear plate without special tools.
  • Cartridge Mechanical Seal: Double-floating, self-aligning oil-lubricated mechanical seal (Pos. 46513-150) ensures long life and dry-running capability.
  • Solids Handling: Designed to pass spherical solids up to 3 inches (76 mm) in diameter, preventing blockages in sewage applications.
  • Removable Rotating Assembly: The entire rotating assembly can be removed from the pump casing for inspection or maintenance without disturbing the suction or discharge lines.

DOWNLOAD DATASHEET

Spare Parts List

Select the required parts below to include them in your quote request.

Select Qty Part Number Description Material / Spec
1 46513-150 Mechanical Seal Assembly Carbon/Ceramic/Viton
1 48271-063 Pump Repair Kit -
1 10528 Impeller Ductile Iron
1 10527 Wear Plate Cast Iron
1 38514 Impeller Shaft Alloy Steel
1 25152-149 O-Ring, Cover Plate Buna-N
1 S1674 O-Ring, Rotating Assembly Buna-N
2 10959 Flange Gasket (4 Inch) Cork/Cellulose
1 25154-045 Gasket, Seal Plate -
1 46413-030 Check Valve Assy Rubber/Steel
2 S1033 Ball Bearing Steel
1 S1077 Oil Seal -
1 S1927 Sight Gauge -
1 P04 Pipe Plug (1/4") Steel

OEM part numbers are referenced for identification purposes only.
All parts listed are suitable for use in T4A3S-B Pump.

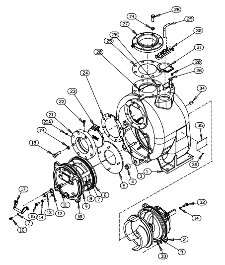
Exploded Parts Views 

Exploded view shown for reference only. Part numbering may vary by configuration.

Key Technical Specifications 

Parameter Value
Model / Curve T4A3S-B / Curve T4A
Rated Power Input Dependent (Frame Mounted)
Voltage / Frequency N/A (Bare Shaft Pump)
Rated Current N/A
Discharge Connection 4" NPT (Female)
Impeller Type Two-Vane, Open (Ductile Iron)
Installation Type Surface Mounted / Self-Priming

Troubleshooting, Common Faults & Solutions

Pump fails to prime

Likely Cause: Suction air leak, pump casing not filled, or excessive lift.

Action / Part: Check cover plate O-Ring (25152-149) and fill casing with water.

Pump stops or fails to deliver rated flow

Likely Cause: Impeller clogged, wear plate worn, or strainer blocked.

Action / Part: Clean Impeller (10528) or Adjust/Replace Wear Plate (10527).

Pump vibrates excessively

Likely Cause: Pump or driver not level, impeller unbalanced, or bearings worn.

Action / Part: Check alignment or replace Bearings (S1033).

Seal leaks oil or water

Likely Cause: Mechanical seal failure due to dry run or abrasion.

Action / Part: Replace Cartridge Seal (46513-150).

Pump bearing overheating

Likely Cause: Low oil level in bearing housing or misalignment.

Action / Part: Check Oil Level (Sight Gauge S1927) or Check Drive Coupling.

Online Resources

Alt image
Request for Quotation

Request for Quotation

Thank you!

Your Request for Quote has been successfully sent.
Our team is reviewing your requirements and will be in touch shortly.

Selected Parts:

  • No parts selected
Please enter your full name
Please enter your company name
Please enter a valid email address
Please enter your phone number

Drag & drop image here or click to browse

Accepted formats: JPG, PNG, PDF (Max 5MB)

File size must be less than 5MB
Please select delivery urgency
Please select delivery location
Note on Minimum Orders: A standard minimum order value (MOV) of $1,000 AUD typically applies to process B2B commercial orders efficiently.

We typically respond within 24 hours